- Backset: 22mm
- Gearbox Mounted: Offset or Inline
- Faceplate: 16mm Flat
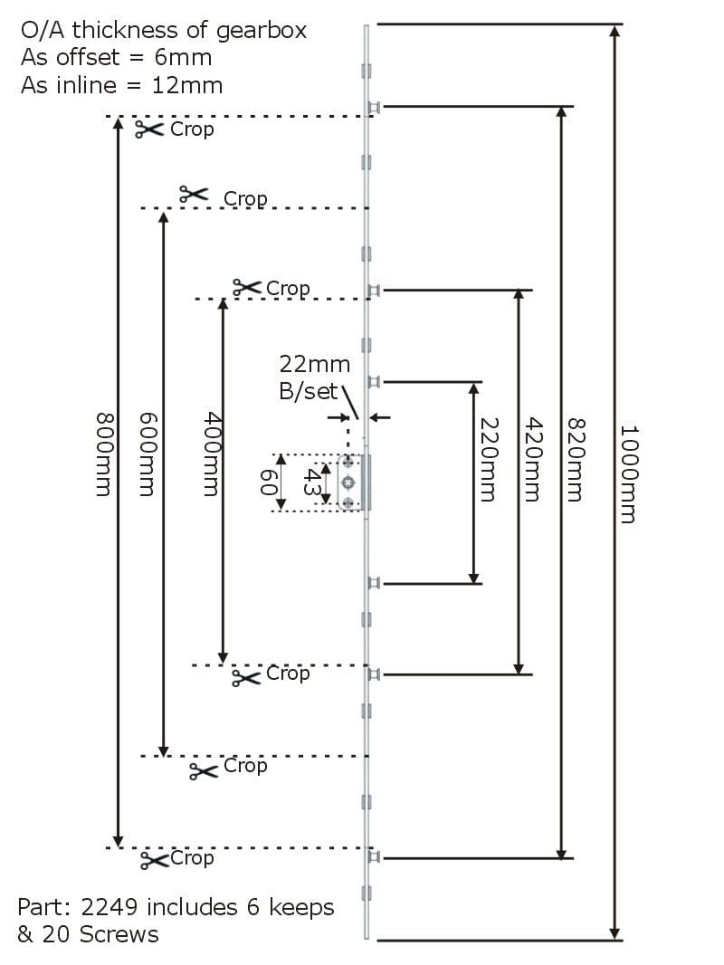
- Length: 1000mm long but can be cut down to 400mm, 600mm, or 800mm lengths if required. Please review the dimension diagram for further information.
- Locking Point Type: Mushroom 8mm cam height
- Number of Locking Points: x2 to x6 depending on the length that you cut it down to. Please review the dimension diagram for further information.
- Included is x1 window lock, window screws, and matching frame keeps to suit the new lock
This espag will fit most UPVC window locks in either offset gearbox espags, or even inline type. The handle screw centres are universal so it will fit the existing Coldseal or other window handles.
You might need to move the striker keeps on the outer frame to suit the new espag. This is achieved simply by removing the fixing screws and re-fixing the new keeps in required position.
We have developed the Gardinia window lock rod kit so that it is a suitable replacement to repair a broken and obsolete window locks, including the obsolete Coldseal Talon UPVC window lock rod.
This lock will normally fit into the routed opening and has the same screw to screw handle dimensions and spindle size.














